Вход на сайт
Фольксваген.
28.04.07 13:06
99 год.2.5 турбодизель.Типтроник.Как заменить масло в коробке передач,если нет отверстия сверху.Кто то сказал что вообще не надо туда лезть...Правда?
Только не волнуйтесь
NEW 29.04.07 00:42
Андрюша...ТИПТРОНЕГ...Он не бываеД 4 ступым... 
З.Ы.Браза, компрессор кондёра нигде не валяетсо? 8D0 260 805 (D,F,M) Ауди, ПассаД, прочий ширпотреб.
З.Ы.Браза, компрессор кондёра нигде не валяетсо? 8D0 260 805 (D,F,M) Ауди, ПассаД, прочий ширпотреб.
Слава немецким инженерам, героям слава!
Шэф
Каменты Клаб
Каменты Клаб
NEW 29.04.07 00:45
в ответ Роман0 28.04.07 13:06
В некоторых коробках масло закачивается снизу. Мой тебе совет - сними поддон, поменяй АТФ-Фильтр и масло. Больше, чем 60% АТФ заменить невозможно, потому, что несколько литров находятся в Гидротрансформаторе и не сливаются через сливную пробку. Поетому через пару сотен километров желательна 2-я замена. Узнай, что за АТФ предписывает Фольксваген - неправильное масло, пусть даже самое дорогое - смерть коробке.
Уровень выставляется при определ╦нной температуре.
И последнее - менять масло надо обязательно!
Уровень выставляется при определ╦нной температуре.
И последнее - менять масло надо обязательно!
Зри в корень!
NEW 29.04.07 00:52
Мадам наверно не в курсе, что щупов например в БМВушных автоматах уже как 17 лет нет, остальные тоже почти все отменили, дабы не лазили и не лили , что попало.
Для особо тупых. Пишу АВТОРУ ВЕТКИ!Читать ниже.
Официально только на 4ступых типа 01N.В Типтронеге типо лонг лайф.Но мы знаем, что ничего вечного не бывает..Так что можно и поменять...
Но обязательно фильтр и прокладку поддона.Итого, тебе нужно минимум 6 литров АТФ, стоит около 10ки за литр, фильтр и прокладка еще пускай 30...
Если надо нарою точно как менять.
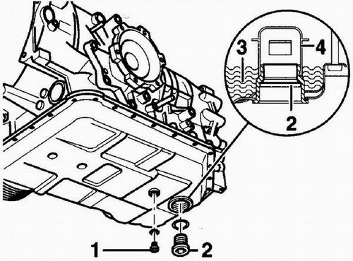
<--------------------- 1 сливное, 2 заливное.
Афтор, хочу предупредить, известны случаи, что после замены масла коробка просто умирала, так что думай сам...Если чесно, то "Не мешай агрегату работать".
В ответ на:
Залить можно через щуп,если нужно...
Залить можно через щуп,если нужно...
Мадам наверно не в курсе, что щупов например в БМВушных автоматах уже как 17 лет нет, остальные тоже почти все отменили, дабы не лазили и не лили , что попало.
В ответ на:
И последнее - менять масло надо обязательно!
И последнее - менять масло надо обязательно!
Для особо тупых. Пишу АВТОРУ ВЕТКИ!Читать ниже.
Официально только на 4ступых типа 01N.В Типтронеге типо лонг лайф.Но мы знаем, что ничего вечного не бывает..Так что можно и поменять...
Но обязательно фильтр и прокладку поддона.Итого, тебе нужно минимум 6 литров АТФ, стоит около 10ки за литр, фильтр и прокладка еще пускай 30...
Если надо нарою точно как менять.
<--------------------- 1 сливное, 2 заливное.
Афтор, хочу предупредить, известны случаи, что после замены масла коробка просто умирала, так что думай сам...Если чесно, то "Не мешай агрегату работать".
Слава немецким инженерам, героям слава!
Шэф
Каменты Клаб
Каменты Клаб
NEW 29.04.07 01:03
Не надо тут блистать знанием английского...Кому надо тот поймёт.
Ссылку на офф ответ ВАГа.
В ответ на:
Неа, не лонг лайф, а лайф тайм
Неа, не лонг лайф, а лайф тайм
Не надо тут блистать знанием английского...Кому надо тот поймёт.
В ответ на:
Но если не менять, то лайф-тайм не превышает 200 т.км.
Но если не менять, то лайф-тайм не превышает 200 т.км.
Ссылку на офф ответ ВАГа.
Слава немецким инженерам, героям слава!
Шэф
Каменты Клаб
Каменты Клаб
NEW 29.04.07 01:09
<Life Time Füllung> - это официальниое понятие Ауди/ФВ. Что тебя в этом раздражает?
Какие ссылки? Просто "известны случаи"
в ответ Ace Ventura 29.04.07 01:03
В ответ на:
Не надо тут блистать знанием английского...Кому надо тот пойм╦т.
Не надо тут блистать знанием английского...Кому надо тот пойм╦т.
<Life Time Füllung> - это официальниое понятие Ауди/ФВ. Что тебя в этом раздражает?
В ответ на:
Ссылку на офф ответ ВАГа.
Ссылку на офф ответ ВАГа.
Какие ссылки? Просто "известны случаи"
Зри в корень!
NEW 29.04.07 01:11
Комментарии?Думаю излишни.
в ответ resusid 29.04.07 01:09
В ответ на:
Зри в корень!
Зри в корень!
Комментарии?Думаю излишни.
Слава немецким инженерам, героям слава!
Шэф
Каменты Клаб
Каменты Клаб
NEW 29.04.07 01:22
Именно! Вот пусть все и зрят!
<------------------
Комментарии?Думаю излишни.
в ответ Ace Ventura 29.04.07 01:11
В ответ на:
Зри в корень!
Комментарии?Думаю излишни.
Зри в корень!
Комментарии?Думаю излишни.
Именно! Вот пусть все и зрят!
<------------------
Комментарии?Думаю излишни.
Зри в корень!
NEW 29.04.07 22:58
Можешь и сам, в большинстве сервисов в автоматах вообще не разбираются (ну ты это уже понял).
Правда, заляпаешься маленько
Ну по-делу посмотришь, сколько металлических опилок в поддоне, магнит почистишь
Правда, заляпаешься маленько
Ну по-делу посмотришь, сколько металлических опилок в поддоне, магнит почистишь
Зри в корень!
NEW 30.04.07 09:56
Если коробка работает мягко, не буксует(хотя тут замена масла обычно не помогает), то повода лезть в нее не вижу...
Просто, если сильно интересно, открути чуток сливную пробку, выпусти чуток на чистую белую ткань и посмотри, в каком состоянии масло, т╦мное ли, пахнет ли горелым?
в ответ Роман0 29.04.07 22:57
В ответ на:
Спасибо,пока наверное лазить не буду...
Спасибо,пока наверное лазить не буду...
Если коробка работает мягко, не буксует(хотя тут замена масла обычно не помогает), то повода лезть в нее не вижу...
Просто, если сильно интересно, открути чуток сливную пробку, выпусти чуток на чистую белую ткань и посмотри, в каком состоянии масло, т╦мное ли, пахнет ли горелым?
Слава немецким инженерам, героям слава!
Шэф
Каменты Клаб
Каменты Клаб





